CS力控使用教程
1. 簡介
本文介紹了CS系列機器人搭載力控的使用教程,當然我們的CSF系列機器人末端內嵌了力控模塊;下圖是CSF系列機器人每個型號的力控參數。

CSF系列機器人內部集成自研力控模塊,不需要外掛元器件,沒有外部走線;末端厚度僅僅比CS標準系列機器人厚15.5mm左右。

2. 操作流程
2.1配置
2.1.1硬件配置
如果是CSF系列機器人,則不需要任何硬件配置,直接進行軟件配置即可。
如果是CS標準系列機器人搭載外部力控傳感器。則需要注意以下幾點:
1、 核對力傳感器的安裝FX+方向、和FY+方向和機器人末端工具方向是否一致;如果有條件的話并盡可能安裝方向一致。(如下圖所示,定位銷方向/出線口方向為Y-方向)

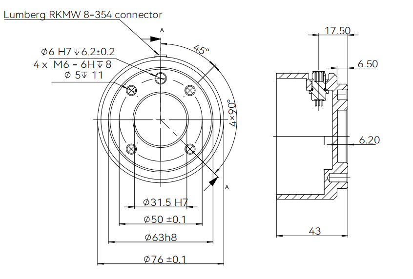
2、 如果力傳感器無法安裝到機器人末端,需要轉接板;下圖為機器人末端機械結構圖。(CS系列機器人所有末端法蘭結構都相同)

3、 CS機器人末端I/O接口定義


如果是用艾利特提供的8芯彎頭成型線,【物料號NA20300180】則針腳編號、線序顏色為固定排序。

2.1.2軟件及插件配置
1、安裝力傳感器適配器插件
http://m.efyuan.com/service/technical
搜索級傳感器適配器插件下載并解壓;將插件【SensorAdapter】下載到U盤根目錄,將U盤插到示教器頂端USB接口后;點擊右上角圖標--進入設置

系統--ELITECOs--點擊+號

選擇U盤路徑--找到并選擇SensorAdapter文件--打開(如果無法選擇U盤路徑則為U盤格式問題無法識別,請使用FAT32格式的U盤或更換U盤操作)

點擊重啟,重啟后插件自動安裝

2、工具I/O設置
配置--通用--工具I/O

將工具I/O的配置按下圖配置好,若是CSF系列機器人則配置和下圖完全相同;如果是CS標準機系列則波特率按實際填寫。

下表格為和CS標準系列機器人適配過的常用的幾款力控傳感器波特率:
傳感器品牌

3、插件頁面進行配置
配置--插件--傳感器適配器

自動啟動:勾選后;機器人斷電重啟后,“傳感器適配器”會重新自啟,獲取新的數據。
廠商:力/力矩傳感器廠商名稱,可點擊下拉框進行選擇;
型號、波特率、端口名稱根據所選擇的廠商自動識別,無須修改
負載補償:顯示傳感器標定后數據或負載辨識后的數據;
原始:傳感器原始力/力矩數據;
力/力矩數據圖:顯示實時測量的力/力矩數據。
如果配置正確,點擊啟動后負載補償、原始和數據圖上會顯示當前的力矩數據。如果沒有數據顯示;則上述配置流程有選項配置錯誤,連接失敗。
在連接成功后,在機器人左側導航欄的插件圖標內會有一個力監控選項,在機器人任意狀態下都可以監視當前力傳感器的數據。(即使在任務運行中)

4、 力傳感器空載標定
注意:力傳感器標定需要一定空間,不能在末端安裝除力矩傳感器外任何裝置;機器人在力傳感器標定的時候會運動。
CSF系列機器人不需要進行力傳感器空載標定。
CS_SW_V2.13.2之后的版本下機器人力傳感器標定只有四五六軸會有動作。在這之前的版本機器人標定需要周圍清空(一軸會動),請將機器人版本升級到V2.13.2以上使用。機器人最佳標定姿態如圖下;

確認機器人負載設置為零

當確認機器人活動空間安全,以及力傳感器適配器上有數據顯示后,進入專家模式;密碼elibot。

進入機器人內部參數界面;
CSF系列機器人,一般情況不需要進行空載標定(出廠會標定好);如果在力傳感器監視器界面看到負載補償后的值不為零且差異很大,才需要空載標定。
CS標準機器人外載其他品牌的力控,則需要勾選下方力傳感器安裝角辨識再進行力傳感器空載標定。

建議將速度降到50%以下,點擊確認后機器人會自動運行辨識路徑。

當標定成功后會彈窗傳感器標定結束窗口。

空載標定完成后、需要觀察一下傳感器適配器插件負載補償界面中的Fx、Fy、Fz的值是否接近0;如果對補償參數不滿意可以重新標定。
注意:理論負載補償后所有方向的力為零,但是實際看傳感器精度,傳感器發生故障會導致標定結果不理想。
5、 負載辨識
CSF系列機器人不需要安裝角辨識;出廠即標定。
完成力傳感器空載標定后;先將末端工具安裝到SC機器人末端上或力控的安裝件上。
進入配置-負載-負載辨識

在負載辨識界面按功能介紹示教4個機器人姿態,可自動算出機器人負載;點擊完成即可。


注意:
1、只需要動4、5、6軸即可。
2、 四個姿態變化越大越好。
3、 負載辨識完成后,傳感器數據接近0,如果負載越大,傳感器數據偏差就會越大,甚至可達到2-3N的偏差,誤差主要來源于力傳感器,目前國內力傳感器達不到這個水準,別的品牌機器人負載辨識完后,如果數據接近0,有可能是做了清零操作,可測試下別的姿態是否也為0,目前我們機器人在負載辨識完后沒有執行清零操作,是在力節點中進行了清零操作。

6、 如使用的是第三方力控則需要安裝角辨識
在負載辨識完成的基礎上,再次進入負載辨識界面。在負載辨識結果的界面,點擊下方的力傳感器安裝角辨識。


點擊后會有彈窗顯示會再跑一遍負載辨識的四個姿態;確認運行環境無遮擋,降低機器人運行速度后點擊確認;辨識完成后點擊確認。


注意:
1、 如果在負載辨識里沒有力傳感器安裝角辨識按鈕,則回到2.1.2章節4【力傳感器空載標定】在空載標定的時候勾選力傳感器安裝角辨識。
2、 安裝角辨識的時候如果機器人實際負載小于3KG,則可能會影響安裝角辨識的結果。(力傳感器讀數與外力方向不一致)建議先安裝一個3KG以上的負載,進行負載辨識后繼續進行安裝角辨識;安裝角辨識完成后把負載拆了,裝上實際的末端治具再進行一遍負載辨識。
2.2使用以及編程介紹
2.2.1鎖軸拖動以及阻尼設置
打開設置-力控配置


1、 鎖軸拖動:
勾選后即可手動拖動機器人,機器人會根據力傳感器的反饋值來進行拖拽運動。
2、 鎖軸拖動安全校驗設置:
啟動鎖軸拖動的安全閾值,如果高于預設值則無法啟動鎖軸拖動。如圖下;

3、 平動阻尼/旋轉阻尼。
默認為0,增加阻尼后能明顯感覺在拖動機器人的時候會順滑,拖動將變得更為平穩和緩慢,而能夠更好地進行力量控制。
4、 力傳感器碰撞檢測:
勾選后,當力傳感器檢測到多個方向的合力大于設定的碰撞力閾值時,機器人會報碰撞報警。如下圖;

注意:啟用該功能必須開啟機器人碰撞報警功能。在機器人原本碰撞報警的功能上增加了力傳感器碰撞檢測功能,報警內容一致。
因為鎖軸拖動的時候機器人會自動關閉碰撞報警,所以在鎖軸拖動時,力傳感器碰撞檢測功能無效
點擊操作-自由拖動

1、點擊“坐標系”右側下拉框選擇拖動參考坐標系:
基座:基于基座坐標系的拖動;
工具:基于工具 TCP 坐標系的拖動。
2、點擊“預設約束”右側下拉框選擇移動方式:
僅 XOY 平面平移:僅允許通過 X 軸和 Y 軸進行平面移動;
僅旋轉:允許通過 X 軸、Y 軸和 Z 軸進行三維立體移動;
僅平移:允許通過 X 軸、Y 軸和 Z 軸進行平面移動;
無約束:允許通過所有軸進行移動。
選擇預設約束時,還可手動開啟/關閉軸左側的開關進行自定義設置。
設置完成后,點擊示教器上自由拖動按鈕、示教器頂端實體按鈕和機器人末端藍色按鈕均可以實現鎖軸拖動。也可以在機器人I/O里配置數字IO和布爾寄存器打開拖動功能。如圖下;

也可以通過Script腳本打開/關閉拖動模式,詳情請閱讀CS腳本手冊
注意:請在末端信號燈變藍后施加力進行拖動。
2.2.2力指令介紹
新建或打開已有的任務,點擊右側指令欄的復合-力可以添加力指令

點擊模式可選擇四種力控模式。
1、固定
固定坐標系,該固定坐標系可在參考坐標系中選擇設置;所有六個自由度是否進行力控以及目標力/力矩、速度限制均可單獨設置。該模式可用于打磨、裝配等應用。
2、TCP
力控坐標系與機器人的 TCP 坐標系重合;所有六個自由度是否進行力控以及目標力/力矩、速度限制均可單獨設置。該模式下的力控方向會隨著機器人TCP 的位姿變化而變化,可用于理療、裝配、打磨等應用。
3、點
力控坐標系的 Y 軸由機器人 TCP 原點指向參考坐標系的原點,力控坐標系的 X 軸與 Z 軸取決于參考坐標系的 X 軸與 Z 軸,運動過程中力控坐標系將隨著機器人 TCP 的位姿變化而變化。參考坐標系與機器人 TCP 原點之間的距離至少在10mm 以上。該固定坐標系可在參考坐標系中選擇設置。
4、運動
力控坐標系的 X 軸為 TCP 移動方向矢量在參考坐標系的 X-Y 平面內的投影,Y 軸垂直于 TCP 運動方向并位于參考坐標系的 X-Y 平面內,力控坐標系將隨著機器人 TCP 的位姿變化而變化。該模式下不允許對 X 軸進行力控設置,適用于復雜曲面的去毛刺等應用。運動模式下激活力節點時,若機器人處于靜止狀態,則 TCP 速度大于零后才會出現力控軸(力控自由度)。若之后機器人依舊在力節點中再次處于靜止狀態,則力控坐標系的方向與上一次 TCP 速度大于零時的方向一致。該固定坐標系可在參考坐標系中選擇設置。
5、方向和速度設置
可在指令中直接設置,也可選擇外部輸入浮點數寄存器進行設置;(浮點寄存器地址0-47)選擇通訊傳輸的時候示教器上輸入值為寄存器地址。


1、 指令介紹
如下圖在該力節點下創建move指令,則機器人從路點_1移動到路點_2的時候機器人會向下施加一個5N的力。最終移動到目標點的時候肯能Z坐標不會和示教的路點_2坐標一致,但是X、Y、RX、RY、RZ的坐標是與路點_2相同的。

2.2.3力腳本介紹
CS機器人通過腳本可以實現以下功能;(詳情請查閱CS腳本手冊)
http://m.efyuan.com/service/technical?kw=&type1=&type2=16&type3=&type4=&type5=&wd=1&tp=1
打開 / 關閉拖動模式、開啟 / 關閉力控模式、設置力控模式的增益 / 阻尼系數、力/力矩傳感器讀數清零、獲取施加在工具TCP上的力、獲取施加在工具TCP上的力/力矩矢量。
2.3案例
案例1:
多點位運動的同時,機器人往Z-方向和Y+方向施加5N的力。

案例2:
機器人往下壓當到達點位或者受到的力大于2N的時候停止向下,并抬起來。

3. 常見問題解答
1、機器人反復標定后如果值不為零怎么辦?
機器人重啟后再次標定。
2、 機器人完成標定正常運行了,突然發現接收到的數據異常怎么辦
重啟機器人。